最新最热
最新发布第2页
九月dasctf WriteUp
MISC Girlfriend's account 简单excel转换,公式放着,自己弄 =SUM(ISNUMBER(SEARCH(TEXT({1,2,3,4,5,6,7,8,9},'[dbnum2]'&{'0亿';'0仟!万';'0佰!万';'0拾!万';'0万';'万!0仟';'万!0佰';'万...
2022网刃杯 个人Writeup
2022了。 MISC 玩坏的winxp 下载附件有个vmdk文件和个vmx文件,vmx文件没用,不需要虚拟机仿真。直接FTK挂在vmdk磁盘, 先进桌面看看有什么,发现5张图片 在前几个png实则是jpg图片,但无所谓。...
BJD4th联合魔法少女野队Writeup
摸了个17,依旧是很菜,但是有证书有贴纸,我好了 fakePixel 这题挺套娃的,,,期间一直问出题人hhhh,后面还是没出来呜呜,算了做多少记录多少吧 开局一个算法代码(我已经做了注释,很容易看...
2021三月DASCTF 个人Write Up
时间太短了,misc没日成,web也没时间看,别的更别提了,分数低了不少,菜狗落泪,平台没了,题目忘了。 签到 大喊,社死人,交 MISC1 伪加密,获得两个图片, hint.png直接pngcheck可以发现缺...
第二届祥云杯个人Wp
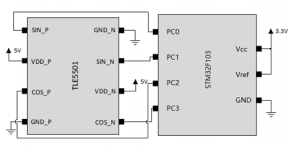
乐死人的比赛,没意思 MISC ChieftainsSecret jpg附件,直接binwalk,获得图片和csv 电路人狂喜,直接谷歌左边芯片,获得文档以及相关文章 TLE5501 角度传感器开发套件试用:体验TMR技术的进步-...
湖湘杯 联合魔法少女WriteUp
前言:平台傻逼,题也一般,甚至拿原题往上怼,给我整乐,最后一分钟掉了30多排名,什么成分不用我多说了吧,懂得都懂,反正wp👴也交了,线下爱进不进,最后来膜一下帅宝,直接把RE给ak了tql!...
几道屑misc
这两天的屑比赛屑题目,记录一下,进行一个公示,以后不要再接触这种题目了 深育杯_disk 文件名我是不明白这还能直接画键盘的属于是脑洞神,画出来还是pvd我更不理解了,后面那个怎么看怎么像o...
2021 东华杯 个人 WriteUp
题目比较脑洞的一个比赛,简单写写wp,队友做出来的就不写了 MISC checkin utf7转码即可 project (我怀疑这题出题人套工控就是为了挣i春秋的工控加钱buff)一个工程文件,看文件应该是kingdom...
CISCN2022初赛个人writeup
又一年ciscn,,,啊,开摆,连续三次都是做到最后一步了,一二三血就都出了,哎呀急死我了呜呜呜,区块链一直没时间看,后续复现一下。该说不说,做题体验还行,跟往届比的话。至少不像去年那...
如何正确的进行蓝牙流量分析
本文首发于i春秋公众号 蓝牙属于是典中典的一个技术了,不论是如今的智能家居,穿戴设备甚至是车联网都离不开蓝牙,当然扯一堆是没用的,实战来说局限性较大,毕竟蓝牙广播的范围就那么大,,,...
GKCTF2021个人WriteUP
被v神和神光师傅直接带飞,第三名舒服了呜呜呜 团队全部题目wp: 魔法少女联合摸鱼WriteUP下载 MISC 签到 在第5流拿到数据 送进cyberchef 你知道apng吗 直接百度搜索apng分帧工具,一共四个二维...
CISCN2021东北赛区WriteUP
什么烂比赛,misc跟密码互相乱窜是吧,喜欢玩弱口令是吧,什么玩意,不会出题别出题,😅,偷题都偷不明白。烂题配烂比赛,绝配。 Web 简单的注入 使用sqlmap注入 Payload: 爆库:sqlmap.py –r...
RCTF2021 MISC ALL WriteUp
misc?all stack! welcome_to_rctf just go ROIS CheckIn little wired,when you post issuse, then actions will work you can see,your issues, is on there.the flag always ***, This mea...
记录一次路由器漏洞挖掘
这个漏洞挖出来已经有一个月了,一直等CNVD过审才发,然后期间猜的坑啥的都了(草直接丢这个漏洞的详情罢。 腾达路由器N4未授权漏洞 该漏洞以提交至cnvd,厂商可能修复了或许没修复。 此固件均...
i春秋新年欢乐赛全部write up
第五名顺带ak了下题目,帅宝帮我日了俩re,就很牛逼,我永远喜欢师傅们 签到 写个fun对着摄像头放就会给flag了flag{ju5t_f0r_FUN} 调查问卷 问卷调查,flag忘了 十二宫的挑衅 首先下载下来一张...
LLM-CHATGLM-AI学习资料自用(持续更新)
大语言模型项目 ChatGLM2 模型THUDM/ChatGLM2-6B: ChatGLM2-6B: An Open Bilingual Chat LLM | 开源双语对话语言模型 (github.com) Langchain+ChatGLM imClumsyPanda/langchain-ChatGLM: langch...
美团ctf2022 misc writeup
没报名,利益无关,a个k,图一乐 I GOT 油 我想抽 I GOT 油 ALL MY MIND 抽不了兜着走 走~走走~走走走走 Cyberspace 体力活,嗯玩游戏就行了,偷一手或或👴的图 ezdct_svd 谢罪,过于相信轮...
2021湖湘杯final 单兵作战小总结
我感觉作为awdp来讲的话只要这个人够强1v3是没问题的.jpg,但是就我而言我是1 喂 3 so sad 总而言之还是先说说情况,就开局上来直接修的go的题,然后他妈的修不上,寄!,反复与主办方对线查日...
强网杯2022 谍影重重 writeup
前半段y老师撸的,我简单弄了下后半段,当然还有或或👴帮我补全了一下脚本,我直接猪脑过载太菜了,看了眼其他选手的wp,都没发解析部分,vmess这个协议确实不是很适合公开发表,这里就直接贴y...

























